聯系電話:
4006-181-398

產品型號:ZJHP、ZJHM
公稱通徑:DN15mm~200mm
公稱壓力:1.6~6.4MPa
適用介質:水、油品、氣體等
適用溫度:常溫型-20~200℃ 散熱型-40~450℃
工作溫度:-29~+150℃
法蘭標準:JB79.1-94、JB79.2-94、GB2221-89
產品概述
氣動套筒調節閥是由多彈簧氣動薄膜執行機構和低流阻精小型調節閥閥體組成,多彈簧執行機構高度低、重量輕、裝備簡便。閥體流道呈S流線型,具有結構緊湊、重量輕、動作靈敏、壓降損失小、閥容量大、流量特性精確、維護方便等優點,可用于苛刻的工作條件。其配用電-氣閥門定位或氣動閥門定位器,可實現對工藝管路流體介質的自動調節控制。廣泛應用于精確控氣體、液體、蒸汽等介質的工藝參數如壓力、流量、溫度、液位等參數保持在給定值。
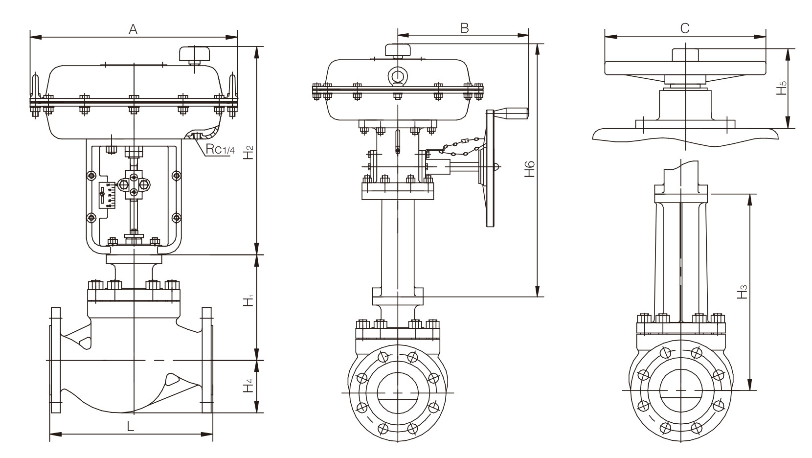
外形尺寸
|
DN |
20 |
25 |
32 |
40 |
50 |
65 |
80 |
100 |
125 |
150 |
200 |
|
|
H1 |
315 |
410 |
420 |
420 |
420 |
550 |
570 |
570 |
690 |
705 |
785 |
|
|
H2 |
55 |
60 |
70 |
75 |
80 |
90 |
105 |
120 |
140 |
150 |
200 |
|
|
H3 |
100 |
110 |
130 |
140 |
150 |
165 |
180 |
195 |
230 |
250 |
350 |
|
|
ФA |
310 |
395 |
500 |
|||||||||
|
L |
PN16 PN40 |
150 |
160 |
180 |
200 |
230 |
290 |
310 |
350 |
400 |
480 |
600 |
|
PN64 |
230 |
260 |
300 |
340 |
380 |
430 |
500 |
550 |
650 |
|||
|
D |
PN16 |
105 |
115 |
140 |
150 |
165 |
185 |
200 |
220 |
250 |
285 |
340 |
|
PN40 |
105 |
115 |
140 |
150 |
165 |
185 |
200 |
235 |
270 |
300 |
375 |
|
|
PN64 |
130 |
140 |
155 |
170 |
180 |
205 |
215 |
250 |
295 |
345 |
415 |
|
|
D1 |
PN16 |
75 |
85 |
100 |
110 |
125 |
145 |
160 |
180 |
210 |
240 |
295 |
|
PN40 |
75 |
85 |
100 |
110 |
125 |
145 |
160 |
190 |
220 |
250 |
320 |
|
|
PN64 |
90 |
100 |
118 |
125 |
135 |
160 |
170 |
200 |
240 |
280 |
345 |
|
|
b |
PN16 |
16 |
18 |
20 |
22 |
24 |
||||||
|
PN40 |
16 |
18 |
20 |
22 |
24 |
26 |
28 |
34 |
||||
|
PN64 |
20 |
22 |
24 |
26 |
28 |
30 |
32 |
36 |
38 |
44 |
||
|
n-d |
PN16 |
4-14 |
4-18 |
8-18 |
8-22 |
12-22 |
||||||
|
PN40 |
4-14 |
4-18 |
8-18 |
8-22 |
8-26 |
12-30 |
||||||
|
PN64 |
4-18 |
4-23 |
8-23 |
8-25 |
8-30 |
8-34 |
12-34 |
|||||
|
F1×D2 |
PN16 PN40 PN64 |
2×56 |
3×65 |
3×76 |
3×84 |
3×99 |
3×118 |
3×132 |
3×156 |
3×184 |
3×211 |
3×266 |
|
F2×D3 |
PN16 PN40 |
3×51 |
3×58 |
3×66 |
3×76 |
3×84 |
3×99 |
3×118 |
3×132 |
3×156 |
3.5×204 |
3.5×260 |
|
PN64 |
4×51 |
4×58 |
4×66 |
4×76 |
4×88 |
4×110 |
4×121 |
4.5×150 |
4.5×176 |
4.5×204 |
4.5×260 |
|

京公網安備 XXXXXXXXXXXXX