聯系電話:
4006-181-398

產品型號:J41W
公稱通徑:DN15-DN400mm
公稱壓力:PN1.6MPa-32MPa
適用介質:水、油、氣
適用溫度:-20℃-425℃
閥體材質:不銹鋼
制造標準:GB/T 12235
結構標準:GB/T 12221
連接標準:JB/T 74-90、GB/T 9113
產品概述
不銹鋼截止閥是截止閥中的一種,對閥體材質要求比較高,一般有301、304、316等幾種材質選擇。廣泛應用于化工、船舶、醫藥、食品機械等行業。由于開閉過程中密封面之間摩擦力小,比較耐用,開啟高度不大,制造容易,維修方便。適用于各類腐蝕性介質的管道上,有良好的防腐性、足夠的強度。
主要性能規范
| 型號 | 公稱壓力 | 試驗壓力 | 工作溫度(℃) | 適用介質 | ||
| 強度(水)(Mpa) | 密封(水)空氣(Mpa) | 低壓密封空氣(Mpa) | ||||
| J41W-16P(R) | 1.6 | 2.4 | 1.8 | 0.6 | ≤200 | NITRIC ACID |
| J41W-25P(R) | 2.5 | 3.8 | 2.8 | 0.6 | ≤200 | 硝酸類 |
| ACETIC ACID | ||||||
| 醋酸類 | ||||||
| NITRIV ACID | ||||||
| 硝酸類 | ||||||
| J41W-40P(R) | 4.0 | 6.0 | 4.4 | 0.6 | ≤200 | ACETIC ACID |
| J41W-64P(R) | 6.4 | 9.6 | 7.0 | 0.6 | ≤200 | 醋酸類 |
主要零件材質
| 零件名稱 | ZG1Cr18Ni9Ti系列 | ZG00Cr18Ni10系列 | ZG1Cr18Ni12Mo2Ti系列 | ZG00Cr17Ni14Mo2系列 | WCB系列 |
| 閥體/閥蓋 | ZG1Cr18Ni9Ti | ZG00Cr18Ni10 | ZG1Cr18Ni12Mo2Ti | ZG00Cr17Ni14Mo2 | WCB |
| 閥瓣 | ZG1Cr18Ni9Ti | ZG00Cr18Ni10 | ZG1Cr18Ni12Mo2Ti | ZG00Cr17Ni14Mo2 | 1Cr13 |
| 閥桿 | ZG1Cr18Ni9Ti | 00Cr18Ni10 | 1Cr18Ni12Mo2Ti | 00Cr17Ni14Mo2 | 1Cr13 |
| 填料 | PTFE編織 | PTFE編織 | PTFE編織 | PTFE編織 | 石墨 |
| 墊片 | 304+PTFE | 304L+PTFE | 316+PTFE | 316L+PTFE | 石墨+304 |
| 壓蓋 | ZG1Cr18Ni9Ti | ZG00Cr18Ni10 | ZG1Cr18Ni12Mo2Ti | ZG00Cr17Ni14Mo2 | WCB |
| 填料壓環 | 1Cr18Ni9Ti | 00Cr18Ni10 | 1Cr18Ni12Mo2Ti | 00Cr17Ni14Mo2 | 1Cr13 |
| 螺栓 | 1Cr17Ni2 | 1Cr17Ni2 | 1Cr17Ni2 | 1Cr17Ni2 | 35CrMoA |
| 螺母 | 1Cr18Ni9Ti | 1Cr18Ni9Ti | 1Cr18Ni9Ti | 1Cr18Ni9Ti | 45 |
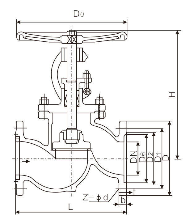
主要連接尺寸及重量(PN1.6MPa)
| 公稱通徑 DN | L | D | D1 | D2 | b | n-Φd | H | D0 |
| 10 | 130 | 90 | 60 | 40 | 14 | 4-Φ14 | 198 | 120 |
| 15 | 130 | 95 | 65 | 45 | 14 | 4-Φ14 | 218 | 120 |
| 20 | 150 | 105 | 75 | 55 | 14 | 4-Φ14 | 258 | 140 |
| 25 | 160 | 115 | 85 | 65 | 14 | 4-Φ14 | 275 | 140 |
| 32 | 180 | 135 | 100 | 78 | 16 | 4-Φ18 | 280 | 160 |
| 40 | 200 | 145 | 110 | 85 | 16 | 4-Φ18 | 330 | 180 |
| 50 | 230 | 160 | 125 | 100 | 16 | 4-Φ18 | 350 | 200 |
| 65 | 290 | 180 | 145 | 120 | 18 | 4-Φ18 | 370 | 280 |
| 80 | 310 | 195 | 160 | 135 | 20 | 8-Φ18 | 400 | 280 |
| 100 | 350 | 215 | 180 | 155 | 20 | 8-Φ18 | 415 | 320 |
| 125 | 400 | 245 | 210 | 185 | 22 | 8-Φ18 | 460 | 360 |
| 150 | 480 | 280 | 240 | 210 | 24 | 8-Φ23 | 510 | 450 |
| 200 | 600 | 335 | 295 | 265 | 26 | 12-Φ23 | 710 | 500 |
| 250 | 650 | 405 | 335 | 320 | 30 | 12-Φ25 | 786 | 550 |
| 300 | 750 | 460 | 410 | 375 | 30 | 12-Φ25 | 925 | 600 |

京公網安備 XXXXXXXXXXXXX