聯系電話:
4006-181-398

產品型號:BYF/CYF
公稱通徑:DN15-350
公稱壓力:PN16
適用溫度:0℃~80℃
適用介質:冷執水、50%乙二醇
主要材質:鑄鐵、碳鋼
產品用途
數字鎖定壓差動態平衡閥用于需要進行流量控制的水系統中,尤其適用于供熱、空調等非腐蝕性液體介質的流量控制。運行前一次性調節,即可使系統流量自動恒定在要求的設定值。
產品特點
1、能使系統流量自動平衡在要求的設定值;
2、能自動消除水系統中因各種因素引起的水力失調現象,保持用戶所需流量,克服“冷熱不均”,提高供熱,空調的室溫合格率;
3、能有效地克服“大流量,小溫差”的不良運行方式,提高系統能效,實現經濟運行。
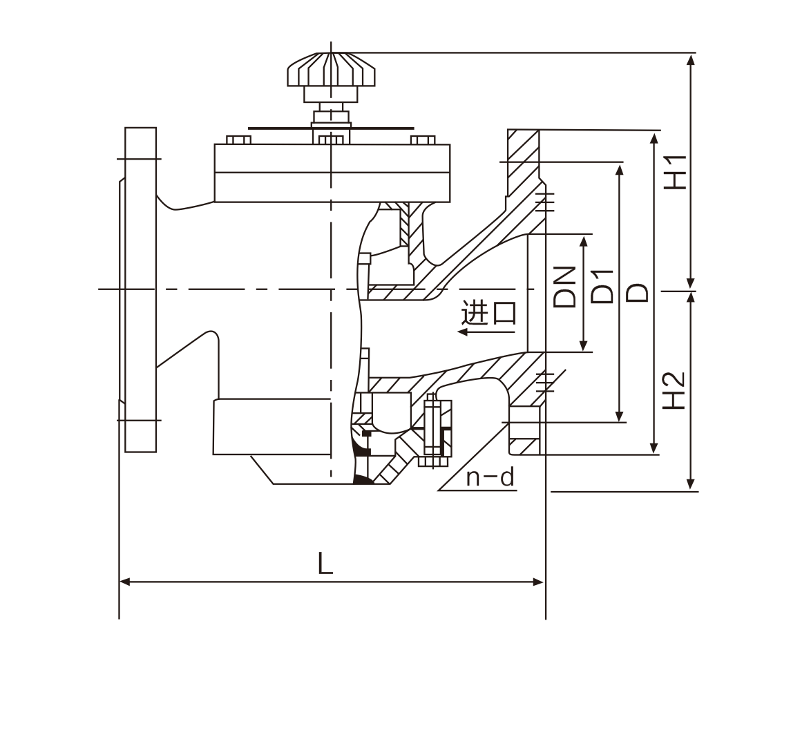
主要外形連接尺寸
| DN | L | D | D1 | n-d | H1 | H2 | 流量控制范圍m3/h |
| 32 | 160 | 135 | 100 | 4-18 | 110 | 75 | 0.5~4 |
| 40 | 200 | 145 | 110 | 4-18 | 125 | 115 | 1~6 |
| 50 | 200 | 160 | 125 | 4-18 | 120 | 115 | 2~10 |
| 65 | 210 | 180 | 145 | 4-18 | 138 | 125 | 3~15 |
| 80 | 265 | 195 | 160 | 8-18 | 150 | 145 | 5~25 |
| 100 | 280 | 215 | 180 | 8-18 | 172 | 165 | 10~35 |
| 125 | 290 | 245 | 210 | 8-18 | 183 | 190 | 15~50 |
| 150 | 340 | 280 | 240 | 8-22 | 200 | 198 | 30~80 |
| 200 | 430 | 335 | 295 | 12-22 | 230 | 295 | 40~180 |
| 250 | 520 | 405 | 355 | 12-26 | 255 | 345 | 100~300 |
| 300 | 600 | 460 | 410 | 12-26 | 357 | 430 | 150~500 |
| 350 | 640 | 520 | 470 | 16-26 | 372 | 495 | 200~700 |

京公網安備 XXXXXXXXXXXXX